製品検索・ダウンロード仕様図・姿図・画像・取扱説明書・CAD・IES

  • ブラケット/洋風
  • 非調光/全面配光
  • 角タイプ

DBK-40036W

6700

LED内蔵

    掲載カタログ D.LIGHTING STYLE2020 510頁
    D.LIGHTING STYLE2022-2023 474頁
    D.LIGHTING STYLE2023 491頁
    D.LIGHTING STYLE2024 163頁
    D.LIGHTING STYLE2025 207頁
    ※D.LIGHTING STYLE2019 508頁
    ※LIFE 2018-2019 500頁
    カタログ表示
    調光 / 非調光 非調光(非調光)
    光色 昼白色
    色温度 5000K
    演色性 Ra83
    ランプ LED内蔵
    定格光束 510ℓm
    消費電力 4.6W
    VA値 9VA
    V AC100V
    固有エネルギー
    消費効率
    110.8ℓm/W
    従来光源 白熱灯60W相当
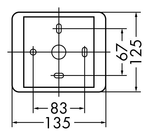
    器具寸法 巾135 高130 出85mm
    重量 0.4kg

    仕様・注意事項

    • LED交換不可
    • ■密閉型
    • ■調光器併用不可
    • カバー:アクリル 乳白(マット)
    • 光源寿命:光源寿命40,000時間

    ダウンロード

    ALL 製品 小組 照度分布図 取付図
    BIM CAD/姿図 仕様図 取説 配光

    色温度違い

    製品情報サイト

    ユーザーID
    パスワード