製品検索・ダウンロード仕様図・姿図・画像・取扱説明書・CAD・IES

  • ランプ・パーツ/直付専用型ダクトレール/ダクトレール/ダクトレール・パーツ

DP-35830

21800

    掲載カタログ D.LIGHTING STYLE2020 705頁
    D.LIGHTING STYLE2022-2023 688頁
    D.LIGHTING STYLE2023 708頁
    ※D.LIGHTING STYLE2019 705頁
    ※LIFE 2016-2017 651頁
    ※LIFE 2017-2018 685頁
    ※LIFE 2018-2019 713頁
    カタログ表示
    生産状況 生産中止
    V AC100V
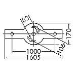
    器具寸法 巾170 長1605 高69mm
    重量 1.7kg

    仕様・注意事項

    • 簡易取付式
    • ■ダクトレールスライド両側各300mmまで可能
    • ■回転30°
    • ■取付可能器具重量5【kg】まで
    • ■電気容量6A
    • 器具色:白
    • 本体:鋼板 白塗装・アルミ型材 白アルマイト
    • ※スポットライト取付時のみ傾斜天井への取付可能(45°まで)
    • 注)片寄った器具の配置は避けてください。★片側のみ取付の場合は2【kg】までです。★300mmスライドで片側(長手側)のみ取付の場合は1【kg】までです。

    ダウンロード

    ALL 製品 小組 照度分布図 取付図
    BIM CAD/姿図 仕様図 取説 配光

    器具色違い

    製品情報サイト

    ユーザーID
    パスワード