製品検索・ダウンロード仕様図・姿図・画像・取扱説明書・CAD・IES

  • アウトドアライト/人感センサー付タイプ/シンプルタイプポーチ/ON-OFFタイプ/玄関灯/人感センサー付シンプルタイプ/LED交換可能タイプ
  • 非調光

DWP-39654Y

25500

ランプ付

    掲載カタログ D.LIGHTING STYLE2020 594頁
    D.LIGHTING STYLE2022-2023 564頁
    D.LIGHTING STYLE2023 579頁
    D.LIGHTING STYLE2024 402頁
    D.LIGHTING STYLE2025 440頁
    D.LIGHTING STYLE2026 469頁
    ※D.LIGHTING STYLE2019 600頁
    ※LIFE 2016-2017 540頁
    ※LIFE 2017-2018 568頁
    ※LIFE 2018-2019 595頁
    カタログ表示
    調光 / 非調光 非調光(非調光)
    光色 電球色
    色温度 2700K
    演色性 Ra83
    ランプ ランプ付
    定格光束 370ℓm
    消費電力 4.9W
    VA値 10VA
    V AC100V
    固有エネルギー
    消費効率
    75.5ℓm/W
    従来光源 白熱灯60W相当
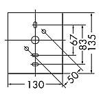
    器具寸法 巾130 高150 出165mm
    重量 0.7kg

    仕様・注意事項

    • LED交換可
    • ■点灯照度調節機能付(暗・明)
    • ■点灯保持時間60秒
    • ■調光器併用不可
    • 器具色:シルバー
    • 防雨形
    • 本体:プラスチック シルバー塗装/カバー:アクリル 乳白(マット)
    • 光源寿命:光源寿命40,000時間

    ダウンロード

    ALL 製品 小組 照度分布図 取付図
    BIM CAD/姿図 仕様図 取説 配光

    色温度違い

    器具色違い

    製品情報サイト

    ユーザーID
    パスワード