製品検索・ダウンロード仕様図・姿図・画像・取扱説明書・CAD・IES

  • 浴室灯/一般

DWP-38626W

23000

LED内蔵

    掲載カタログ D.LIGHTING STYLE2020 572頁
    D.LIGHTING STYLE2022-2023 541頁
    D.LIGHTING STYLE2023 555頁
    D.LIGHTING STYLE2024 371頁
    D.LIGHTING STYLE2025 407頁
    ※D.LIGHTING STYLE2019 580頁
    ※LIFE 2016-2017 515頁
    ※LIFE 2017-2018 544頁
    ※LIFE 2018-2019 577頁
    カタログ表示
    調光 / 非調光 非調光(非調光)
    光色 昼白色
    色温度 5000K
    演色性 Ra83
    ランプ LED内蔵
    定格光束 1190ℓm
    消費電力 16W
    VA値 30VA
    V AC100V
    固有エネルギー
    消費効率
    74.3ℓm/W
    従来光源 明るさFCL30W相当
    取付位置 天井付・壁付兼用
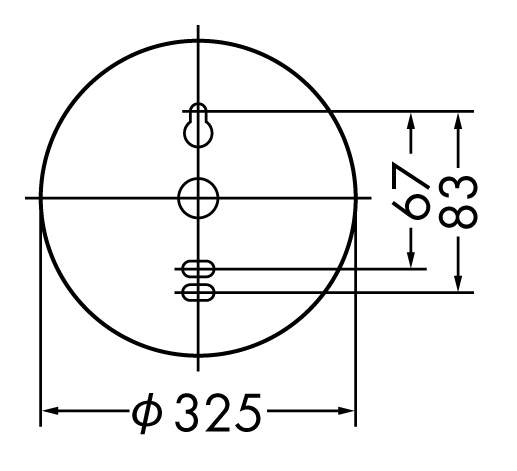
    器具寸法 径φ325 出90mm
    重量 1.2kg

    仕様・注意事項

    • LED交換不可
    • ■調光器併用不可
    • 傾斜天井使用可能
    • 器具色:白
    • 防雨・防湿形
    • 本体:プラスチック 白/カバー:アクリル 乳白
    • 光源寿命:光源寿命40,000時間

    ダウンロード

    ALL 製品 小組 照度分布図 取付図
    BIM CAD/姿図 仕様図 取説 配光

    色温度違い

    製品情報サイト

    ユーザーID
    パスワード