製品検索・ダウンロード仕様図・姿図・画像・取扱説明書・CAD・IES

  • ブラケット/洋風
  • 非調光/上下配光
  • キューブタイプ

DBK-37837

24500

LED内蔵

    掲載カタログ D.LIGHTING STYLE2020 522頁
    ※D.LIGHTING STYLE2019 522頁
    ※LIFE 2016-2017 459頁
    ※LIFE 2017-2018 488頁
    ※LIFE 2018-2019 518頁
    カタログ表示
    生産状況 生産中止
    調光 / 非調光 非調光(非調光)
    光色 電球色
    色温度 2700K
    演色性 Ra85
    ランプ LED内蔵
    定格光束 260ℓm
    消費電力 6.1W
    VA値 13VA
    V AC100V
    固有エネルギー
    消費効率
    42.6ℓm/W
    従来光源 白熱灯60W相当
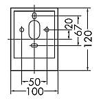
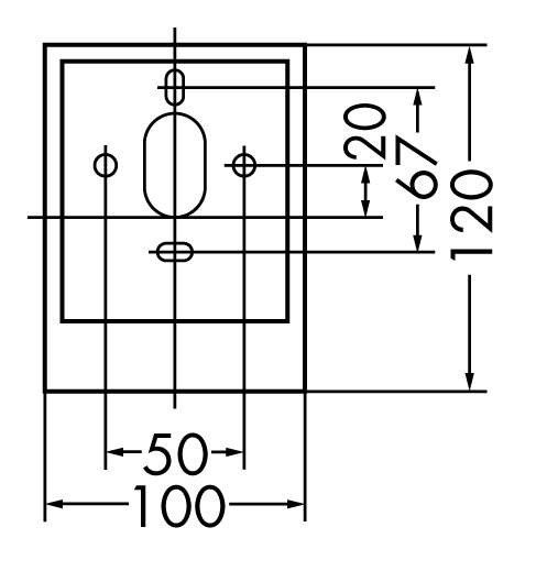
    器具寸法 径□150 出95mm
    重量 0.6kg

    仕様・注意事項

    • LED交換不可
    • ■点灯照度調節機能付(5~50lx・切)
    • ■点灯保持時間調節機能付(5~180秒)
    • ■上下面開放
    • ■調光器併用不可
    • カバー:アクリル 乳白(マット)
    • 光源寿命:光源寿命40,000時間

    ダウンロード

    ALL 製品 小組 照度分布図 取付図
    BIM CAD/姿図 仕様図 取説 配光

    製品情報サイト

    ユーザーID
    パスワード