製品検索・ダウンロード仕様図・姿図・画像・取扱説明書・CAD・IES

  • シーリング/人感センサー付タイプ/キッチンライト/棚下

DCL-38506W

24000

LED内蔵

    掲載カタログ D.LIGHTING STYLE2020 370頁
    D.LIGHTING STYLE2020 565頁
    D.LIGHTING STYLE2022-2023 323頁
    D.LIGHTING STYLE2022-2023 534頁
    D.LIGHTING STYLE2023 333頁
    D.LIGHTING STYLE2023 548頁
    D.LIGHTING STYLE2024 247頁
    D.LIGHTING STYLE2024 365頁
    D.LIGHTING STYLE2025 287頁
    D.LIGHTING STYLE2025 401頁
    ※D.LIGHTING STYLE2019 366頁
    ※D.LIGHTING STYLE2019 573頁
    ※LIFE 2016-2017 310頁
    ※LIFE 2016-2017 510頁
    ※LIFE 2017-2018 326頁
    ※LIFE 2017-2018 538頁
    ※LIFE 2018-2019 352頁
    ※LIFE 2018-2019 570頁
    カタログ表示
    調光 / 非調光 非調光(非調光)
    光色 昼白色
    色温度 5000K
    演色性 Ra83
    ランプ LED内蔵
    定格光束 1190ℓm
    消費電力 12.6W
    VA値 16VA
    V AC100V
    固有エネルギー
    消費効率
    94.4ℓm/W
    従来光源 明るさFL30W相当
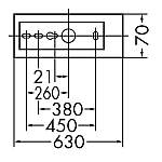
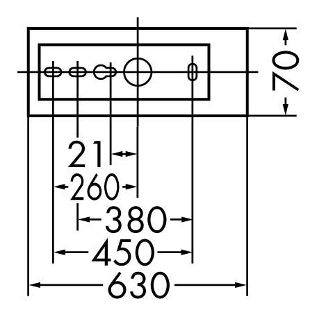
    器具寸法 巾70 長635 高65mm
    重量 1.1kg

    仕様・注意事項

    • LED交換不可
    • ■点灯照度調節機能付(5~50lx・切)
    • ■点灯保持時間調節機能付(5~180秒)
    • ■密閉型
    • ■調光器併用不可
    • 器具色:白
    • 本体:鋼板 白塗装/カバー:ポリカーボネート 乳白
    • 光源寿命:光源寿命40,000時間
    • ※センサー無タイプ(DCL-38504W・38504Y P.000)

    ダウンロード

    ALL 製品 小組 照度分布図 取付図
    BIM CAD/姿図 仕様図 取説 配光

    製品情報サイト

    ユーザーID
    パスワード