製品検索・ダウンロード仕様図・姿図・画像・取扱説明書・CAD・IES

  • 吹抜け・傾斜天井/ブラケット/調光
  • 一般タイプ

DBK-38600YE

26800

LED内蔵

    掲載カタログ ※D.LIGHTING STYLE2019 291頁
    ※D.LIGHTING STYLE2019 492頁
    ※LIFE 2016-2017 250頁
    ※LIFE 2016-2017 435頁
    ※LIFE 2017-2018 258頁
    ※LIFE 2017-2018 458頁
    ※LIFE 2018-2019 281頁
    ※LIFE 2018-2019 488頁
    カタログ表示
    生産状況 生産中止
    調光 / 非調光 調光(位相調光)
    光色 電球色
    色温度 2700K
    演色性 Ra83
    ランプ LED内蔵
    定格光束 790ℓm
    消費電力 14W
    VA値 14VA
    V AC100V
    固有エネルギー
    消費効率
    56.4ℓm/W
    従来光源 明るさFL30W相当
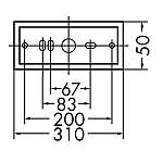
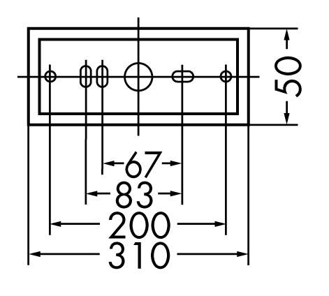
    器具寸法 巾310 高50 出190mm
    重量 1.9kg

    仕様・注意事項

    • LED交換不可
    • ■密閉型
    • ■調光可能(1%~100%)
    • ■調光器別売(DP-37154E・39672~5・40720)
    • 器具色:白
    • 本体:鋼板 白塗装/カバー:アクリル 乳白(マット)
    • 光源寿命:光源寿命40,000時間
    • 拡散パネル付

    ダウンロード

    ALL 製品 小組 照度分布図 取付図
    BIM CAD/姿図 仕様図 取説 配光

    製品情報サイト

    ユーザーID
    パスワード